Machinery Installation Vibration Isolation Noise Control

NOVIBRA TYPE RA

Novibra RA uses the rubber profile in shear and compression obtaining good vertical flexibility with the advantage of horizontal stability. For normal speeds of approx. 1500 rpm the RA type provides a degree of isolation of 75-85%. For even better isolation, the alternative RAEM or M can be chosen. Its unique construction and the latest production methods make Novibra type RA a high performance mounting having a number of advantages.

   Click here for NOVIBRA RA Technical Data Sheet - PDF Format

COMPRESSORS COMBUSTION ENGINES GENERATORS CONVERTERS PUMPS INDUSTRIAL & MARINE GEN SETS FANS


Advantages


 Rubber features are utilized effectively combining compression and shear.

• Tight tolerances on dynamic stiffness rate for accurate vibration calculations.

• Wide load rating options, 40-2100 kg.

• Corrosion protected to cope with arduous environments on land or marine applications (Fe/Zn 8C as per ISO 2081).

• Stronger base metal withstands high shock loads without deformation.

• Fitted as standard with a shock-proof device (up to 5 g) with resilient stop, making RA ideal for use on mobile or marine applications.

• Clear and durable product marking so that mountings can be identified even after several years in operation.

• Domed shape cover to protect against oil contamination.





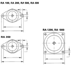
Type
D
A
H
K
d
G
Weight (Kg)
M-MAX (Kg)
A
B
RA100
79
110
30
130
9
M10
0.330
105
240
RA100
79
110
30
130
9
M12
0.330
105
240
RA200
94
124
35
150
10
M12
0.470
180
280
RA200
94
124
35
150
10
M12
0.470
180
280
RA350
101
140-148
38
175
14
M12
0.737
250
450
RA350
101
140-148
38
175
14
M16
0.737
250
450
RA500
123
158
42
192
14
M16
1.020
450
700
RA800
144
182
48
216
14
M16
1.589
750
1300
RA1200
161
140
58
170
14
M20
2.188
900
1600
RA1800
181
160
66.5
190
14
M20
2.325
1300
2100


WILREP LTD.
email: info@wilrep.com
Tel: (905)625-8944 Fax:(905)625-7142
Toll Free: 1-888-625-8944



Machinery Installation | Vibration Isolation | Noise Control | Projects & Solutions | Technical Data Sheets |
| Catalogue | Request Form |MSDS | Site Map | Home