Novibra
Type M |

The M mount is ideal for applications
involving isolation of low frequency vibrations in all planes.
The M is also suitable for shock attenuation due to the ability
to offer large deflections. This mount provides excellent vibration
isolation for compressors, fans, pumps and electronic equipment. |
• COMBUSTION ENGINES •COMPRESSORS
• FANS • PUMPS • SENSITIVE ELECTRONIC EQUIPMENT |
Click
here for Novibra Type M Technical Data Sheet |

|
 |
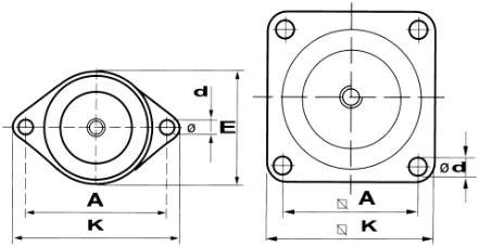
| Type |
D |
E |
A |
K |
H |
h |
d |
G
Kg |
Weight
KG |
M-MAX
(Kg) |
A
40°IRH |
B
60°IRH |
| M7 |
18 |
43 |
50 |
64 |
20 |
7 |
7.0 |
M6 |
0.02 |
3.5 |
9 |
| M25 |
33 |
56 |
66 |
85 |
25 |
11 |
8.0 |
M8 |
0.07 |
20 |
50 |
| M50 |
45 |
76 |
92 |
114 |
35 |
14 |
10.0 |
M10 |
0.16 |
40 |
80 |
| M100 |
53 |
96 |
110 |
136 |
40 |
15 |
11.5 |
M10 |
0.26 |
70 |
150 |
| M200 |
58 |
101 |
124 |
151 |
45 |
13 |
11.5 |
M12 |
0.42 |
130 |
220 |
| M400 |
78 |
- |
120 |
150 |
63 |
18 |
14.5 |
M12 |
1.06 |
280 |
500 |
| M600 |
100 |
- |
160 |
200 |
85 |
25 |
14.5 |
M16 |
2.35 |
380 |
750 |
| M1500 |
186 |
- |
250 |
310 |
160 |
43 |
18.0 |
M24 |
9.43 |
1400 |
2500 |
*Dimensions
are in mm.
|
Click
here for Novibra Type M Technical Data Sheet - PDF Format |